Halter am Rahmenunterzug
# Halter am Rahmenunterzug
Ersteller: [Goose](/goose/)
'''Gerne können Fragen zu diesem Thema auch im [http://forum.gs-500.de/forumdisplay.php?f=116 Forum] diskutiert werden, oder nochmals erklärt werden. Zum schreiben ist keine Anmeldung im Forum notwendig!'''
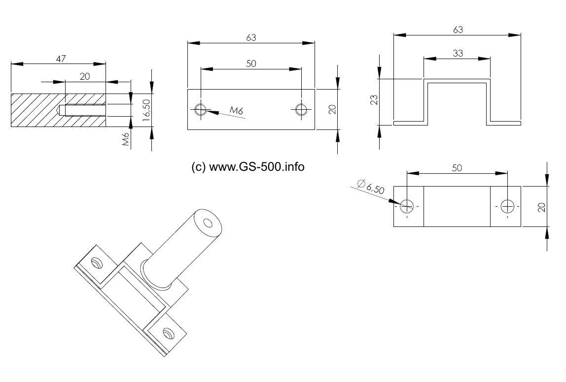
'''Hier sind ein paar Zeichnungen für Halter für die Five Stars Verkleidung. Die müssen allerdings zusammengeschweißt werden.'''
__TOC__
==Halter am Rahmenunterzug==
Die drei gleichen Halter werden aus 2 mm starkem Blech gefertigt.
{

==Halter an hinterer Motoraufnahme links==
Die Haltelaschen werden aus 2 mm starkem Blech gefertigt.
Haltelasche muß aufgesetzt und angeschweißt werden.
{



